舜宇恒平 DCY-2015 低温恒温槽是一款高性能的实验室温控设备,专为精确温度控制需求设计。该仪器融合了先进的微电脑恒温控制系统与进口Pt100温度传感器,确保在宽泛的控温范围内实现高精度、高稳定性的运行表现。
DCY-2015 采用双压缩机复叠制冷系统和高效换热结构,具备快速降温、低噪音、低震动等优势,适用于对温度均匀性和稳定性要求较高的实验环境。整体发泡工艺的槽体结合不锈钢材质(DC0504B)内胆,不仅提升了隔热性能,也增强了设备的耐用性与抗腐蚀能力。循环搅拌系统流量高达10L/min,保障槽内液体温度高度均匀,温度波动度低至±0.05°C,显示分辨率为0.1°C,满足精密实验的严苛要求。
✓ 升级型号:DCY系列是DC系列低温恒温槽的升级产品,集成更多智能化功能。
✓ 高精度控温:采用微电脑恒温控制系统与进口Pt100温度传感器,温度波动度达±0.05℃,显示分辨率为0.1℃。
✓ 高效制冷系统:双压缩机复叠制冷设计,实现快速降温,运行平稳且噪音低。
✓ 智能化操作:配备液晶显示操作面板,支持设定温度、定时参数查看及自整定功能,并可扩展计算机通讯功能。
✓ 安全保护齐全:具备液位报警、超温报警功能,低水位时自动提示补水,提升使用安全性。
✓ 便捷移动设计:配置折叠式把手与带自锁重型脚轮,方便设备搬运与固定。
1. 微电脑恒温控制系统
采用新设计的液晶显示微电脑控制系统,支持温度设定、参数调整与运行状态监控。具备自整定功能,可优化PID控制参数,提升控温响应速度与稳定性。
2. 双压缩机复叠制冷技术
周密设计的复叠制冷系统确保在-20~95℃宽温区内实现高效制冷与快速降温,同时降低能耗与运行噪音,保障长期可靠运行。
3. 强力循环搅拌系统
15升机型搅拌泵流量达10L/min,6升机型为8L/min,确保槽体内液体充分循环,温度分布均匀,有效避免局部温差影响实验结果。
4. 多重安全报警机制
集成液位报警与超温报警功能,当水位过低或温度异常时,报警灯提示并可通过补水指示灯及时响应,防止干烧或样品损坏。
5. 人性化操作界面
面板配备PV/SV双显示器、光柱输出指示及功能按键,实时显示测量温度、设定温度与加热输出比例,操作直观便捷。
| 项目 | 参数 |
|---|---|
| 型号 | DCY-2015 |
| 控温范围 | -20~95℃ |
| 温度波动度 | ±0.05℃ |
| 显示分辨率 | 0.1℃ |
| 搅拌泵流量(15L机型) | 10 L/min |
| 搅拌泵流量(6L机型) | 8 L/min |
| 加热功率 | 1500W-3500W(15L机型);900W-2000W(6L机型) |
| 温度传感器 | Pt100铂电阻 |
| 内槽材料 | 优质不锈钢(DC0504B) |
| 通讯功能 | 可选配,支持与计算机双向通讯 |
| 报警功能 | 液位报警、超温报警 |
适用领域:生物医学研究、化学分析、制药工业、材料测试、环境监测、质量控制等需要精确恒温环境的实验场景。
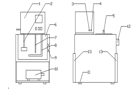
仪器整体结构:
DCY系列产品由智能化液晶显示温度控制部分、Pt100温度传感器、循环搅拌系统、电加热器、制冷部、不锈钢内槽及外壳组成,结构紧凑,布局合理。
1、操作面板 2、循环泵 3、出水管 4、进水管 5、上盖 6、恒温槽内胆 7、pt100传感器 8、电加热器 9、隔热层 10、制冷部 11、底脚或脚轮 12、放水阀 13、散热板
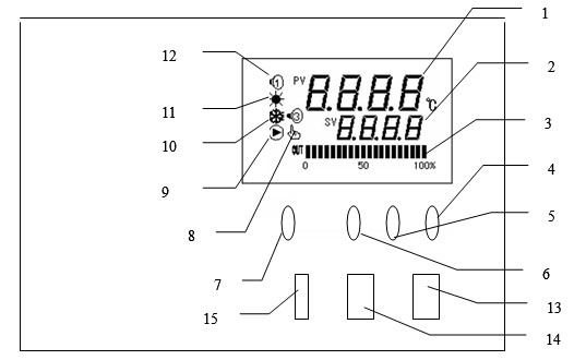
面板结构说明:
1. PV显示器:显示测量温度或各类提示符
2. SV显示器:显示设定温度、定时时间或参数
3. 光柱显示:显示加热控制输出百分比
4. 增加键:用于修改设定值或进入自整定状态
5. 减小键:用于修改设定值或进入自整定状态
6. 移位键:用于移位设定值或查看运行时间
7. 功能键:确认设定值修改,调出或修改参数
8. 补水指示灯:低水位时亮起
9. 运行指示灯:运行时常亮,自整定期间闪烁
10. 制冷灯(未启用):制冷输出时亮
11. 加热灯:加热输出时亮
12. 报警灯:报警①为超温报警;报警③为水位指示
13. 电源开关
14. 制冷开关
15. 循环开关
定期检查液位,避免低水位运行导致加热器干烧;使用去离子水或防冻液以减少结垢和腐蚀;保持通风口畅通,确保散热良好;清洁时请断电,用软布擦拭表面,禁止用水直接冲洗电器部件;长期停用时应排空槽体液体并干燥存放。
A:控温范围为-20~95℃。
A:温度波动度为±0.05℃,显示分辨率为0.1℃。
A:可增加通讯功能,支持与计算机双向通讯。
A:15升机型搅拌泵流量为10 L/min。
A:具备液位报警、超温报警功能,低水位时补水指示灯会亮起提示。








1、首先客户需要确认产品品牌、产品型号、产品货号、产品规格、参数、货期等;
2、其次确认产品旳使用须知,买卖双方信息相互,确认收货和收票地址;
3、科研仪器设备属于精密仪器,非产品质量问题本公司不做退换货处理,购买时请再三确认;
4、小型仪器退换货要求确保仪器未拆箱、未通电、未使用、附件包装完好无损不影响二次销售,联系客服人员处理退换货事宜;
5、退换货要求产品外包装套纸箱,禁止无包装发货,拒收到付;

