舜宇恒平 DCY-2006 高低温恒温槽是一款高性能实验室恒温设备,专为精确温度控制需求设计。该设备采用全新微电脑精密恒温控制系统与进口Pt100温度传感器,确保温度控制的高精度与稳定性,适用于多种科研及工业实验场景。
本机配备高效的制冷系统,具备快速降温、低噪音和低震动特性,提升使用舒适性与设备可靠性。机身结构人性化,配置折叠式把手与自锁脚轮,便于移动与固定。不锈钢内槽结合专业整体发泡隔热层,有效减少冷量损失,保障长期稳定运行。搭载高流量循环搅拌泵,实现槽内液体均匀混合,温度波动度低至±0.05°C,显示分辨率高达0.1°C,满足高要求实验环境。
✓ 升级型号:DCY系列为DC系列低温恒温槽的升级产品,性能更优,功能更全面。
✓ 精密温控:采用微电脑恒温控制系统与进口Pt100铂电阻传感器,温度波动度±0.05℃,显示分辨率达0.1℃。
✓ 高效循环系统:6升机型搅拌泵流量8 L/min,15升机型达10 L/min,确保槽内温度高度均匀。
✓ 智能化操作:配备液晶显示操作面板,支持设定温度、定时时间及参数查看,并可扩展计算机双向通讯功能。
✓ 安全保护设计:具备液位报警、超温报警功能,运行状态通过指示灯实时显示,保障实验安全。
✓ 耐用结构:内槽与外壳均采用优质不锈钢材料,防腐耐用,配合整体发泡隔热层,保温性能优异。
1. 智能化温控系统:采用微电脑控制技术与液晶显示界面,用户可通过SV显示器设定目标温度,PV显示器实时显示测量温度,操作直观便捷,支持参数修改与自整定功能。
2. 高精度温度稳定性:配合进口Pt100温度传感器,实现±0.05℃的温度波动度控制,适用于对温度敏感的实验应用,确保数据重复性与准确性。
3. 高效循环搅拌系统:根据不同容量配置大流量搅拌泵(6L机型8 L/min,15L机型10 L/min),促进液体充分循环,避免局部温差,提升恒温均匀性。
p>4. 多重安全报警机制:集成低水位报警、超温报警功能,报警灯提示异常状态,补水指示灯提醒及时加液,防止干烧或温度失控。5. 人机交互友好设计:面板配备光柱显示加热输出百分比,运行指示灯显示工作状态,功能键支持参数确认与调出,简化操作流程。
6. 灵活扩展能力:可选配通讯接口,实现与计算机双向通讯,便于远程监控与数据记录,适应现代化实验室管理需求。
| 项目 | 参数 |
|---|---|
| 型号 | DCY-2006 |
| 温度波动度 | ±0.05℃ |
| 显示分辨率 | 0.1℃ |
| 温度传感器 | Pt100铂电阻 |
| 搅拌泵流量(6L机型) | 8 L/min |
| 搅拌泵流量(15L机型) | 10 L/min |
| 加热功率(6L机型) | 900W-2000W |
| 加热功率(15L机型) | 1500W-3500W |
| 内槽材质 | 优质不锈钢 |
| 控制方式 | 微电脑恒温控制系统 |
| 显示方式 | 液晶显示(PV/SV) |
| 通讯功能 | 可选配,支持与计算机双向通讯 |
| 报警功能 | 液位报警、超温报警 |
适用领域:生物化学实验、材料测试、制药研发、质量控制、环境监测、高校教学实验等需要精确恒温控制的场合。
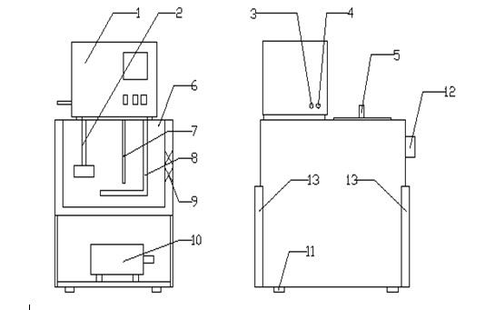
整体结构组成:DCY系列产品由智能化液晶显示温度控制部分、Pt100温度传感器、循环搅拌部分、电加热器、制冷部、不锈钢内槽、隔热层、外壳及底脚/脚轮等部件构成。

图示说明:
1、操作面板 2、循环泵 3、出水管 4、进水管 5、上盖 6、恒温槽内胆 7、pt100传感器 8、电加热器 9、隔热层 10、制冷部 11、底脚或脚轮 12、放水阀 13、散热板

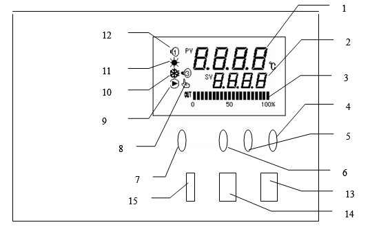
面板结构说明:
1. PV显示器 — 显示测量温度或提示符
2. SV显示器 — 显示设定温度、定时时间或参数
3. 光柱显示 — 显示加热输出百分比
4. 增加键 — 修改设定值或进入自整定
5. 减小键 — 修改设定值或进入自整定
6. 移位键 — 参数移位或查看运行时间
7. 功能键 — 确认参数修改或调出设置
8. 补水指示灯 — 低水位时点亮
9. 运行指示灯 — 正常运行常亮,自整定闪烁
10. 制冷灯(未启用) — 制冷输出时亮
11. 加热灯 — 加热输出时亮
12. 报警灯 — 超温报警①、水位指示报警③
13. 电源开关
14. 制冷开关
15. 循环开关
| 型号 | 搅拌泵流量 | 加热功率 |
|---|---|---|
| DCY-2006(6L) | 8 L/min | 900W-2000W |
| DCY-2006(15L) | 10 L/min | 1500W-3500W |
A:温度波动度为±0.05℃,显示分辨率为0.1℃,采用进口Pt100温度传感器实现高精度控制。
A:支持,可选配通讯功能,实现与计算机双向通讯,便于远程监控和数据管理。
A:6升机型搅拌泵流量为8 L/min,15升机型为10 L/min,确保不同体积下的均匀恒温效果。
A:具备液位报警、超温报警功能,配有补水指示灯和报警灯,实时提示异常状态,保障使用安全。
A:DCY系列是DC系列低温恒温槽的升级产品,在控制、显示和功能上进行了优化提升。








1、首先客户需要确认产品品牌、产品型号、产品货号、产品规格、参数、货期等;
2、其次确认产品旳使用须知,买卖双方信息相互,确认收货和收票地址;
3、科研仪器设备属于精密仪器,非产品质量问题本公司不做退换货处理,购买时请再三确认;
4、小型仪器退换货要求确保仪器未拆箱、未通电、未使用、附件包装完好无损不影响二次销售,联系客服人员处理退换货事宜;
5、退换货要求产品外包装套纸箱,禁止无包装发货,拒收到付;

