全部商品分类产品特点
●DCY系列低温恒温槽是DC系列低温恒温槽的升级产品;
●采用新设计的液晶显示,微电脑恒温控制系统;
●可增加通讯功能,与计算机双向通讯;
●液位报警功能;
●6升搅拌泵量8 L/min ,功率900W-2000W;
●15升搅拌泵量10 L/min ,功率1500W-3500W;
●内槽与箱体均采用优质不锈钢材料,并保持了DC系列的所有优点;
●温度波动度±0.05℃,显示分辨率0.1℃。
仪器结构
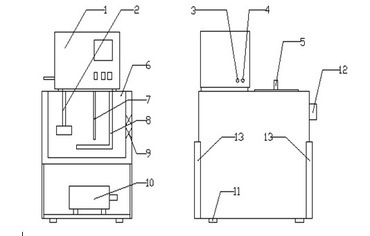
一、整体结构
DCY系列产品由智能化液晶显示温度控制部分、温度传感器Pt100铂电阻、循环搅拌部分、加热器、制冷部、不锈钢材质内槽以及外壳组成。
1、操作面板 2、循环泵 3、出水管 4、进水管 5、上盖 6、恒温槽内胆 7、pt100传感器8、电加热器 9、隔热层 10、制冷部 11、底脚或脚轮 12、放水阀 13、散热板
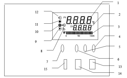
二、面板结构
1. PV显示器
•显示测量温度或根据仪表状态显示各类提示符。
2.SV显示器
•显示设定温度或根据仪表状态显示定时时间;各类参数。
3.光柱显示
•显示加热控制输出的百分比
4.增加键
•用于设定值、控制参数的修改或进入自整定状态。
5.减小键
•用于设定值、控制参数的修改或进入自整定状态。
6.移位键
•用于设定值、控制参数的移位和查看运行时间。
7.功能键
•设定值修改;参数的调出,参数的修改确认。
8. 补水指示灯
•当水位为低水位时亮
9. 运行指示灯
•运行时常亮,自整定工作时闪烁
10. 制冷灯(未启用)
•制冷输出时亮
11.加热灯
•加热输出时亮
12.报警灯
•报警①为超温报警;报警③为水位指示
13. 电源开关
14.制冷开关
15.循环开关
1、首先客户需要确认产品品牌、产品型号、产品货号、产品规格、参数、货期等;
2、其次确认产品旳使用须知,买卖双方信息相互,确认收货和收票地址;
3、科研仪器设备属于精密仪器,非产品质量问题本公司不做退换货处理,购买时请再三确认;
4、小型仪器退换货要求确保仪器未拆箱、未通电、未使用、附件包装完好无损不影响二次销售,联系客服人员处理退换货事宜;
5、退换货要求产品外包装套纸箱,禁止无包装发货,拒收到付;


营业执照:统一社会信用代码914401010882134213
914401010882134213医疗器械经营备案凭证:粤穗药监械经营备20223947号
增值电信业务经营许可证:粤B2-20190022
网站备案号:粤ICP备18056917号-1

营业执照:914401010882134213
医疗器械经营备案凭证:粤穗药监械经营备20223947号
网站备案号:粤ICP备18056917号-1
增值电信业务经营许可证:粤B2-20190022
精准找货
客服电话:13760608322









