舜宇恒平 DCY-0504 低温恒温槽是一款高性能实验室恒温设备,采用先进的微电脑精密恒温控制系统与进口Pt100温度传感器,确保温度控制的高度精确。作为DC系列的升级产品,DCY系列在显示、控制和功能扩展方面进行了全面优化,适用于对温度稳定性要求严苛的科研与工业应用。
该设备配备高流量循环搅拌泵,实现槽内液体快速均匀混合,温度波动度低至±0.05°C,显示分辨率达0.1°C。制冷系统具备高效制冷、快速降温、低噪音与低震动特性,结合优质不锈钢内槽与专业隔热工艺,有效减少冷量损失并提升整机可靠性。人性化设计如折叠式把手与自锁脚轮,使设备移动更加便捷,适合多场景实验室使用。
✓ 升级型号:DCY系列为DC系列低温恒温槽的升级产品,性能更优。
✓ 精密控温:采用微电脑恒温控制系统与进口Pt100温度传感器,温度波动度±0.05℃,分辨率0.1℃。
✓ 高效循环:配备高流量搅拌泵,6升机型循环量达8 L/min,15升机型达10 L/min,保障温度均匀性。
✓ 智能操作:全新液晶显示面板,支持设定修改、参数查看、运行状态指示及报警提示。
✓ 扩展功能:可选配通讯功能,实现与计算机双向数据传输,便于远程监控与记录。
✓ 安全设计:具备液位报警、超温报警功能,运行指示灯实时反馈工作状态,提升使用安全性。
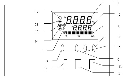
1. 智能化温控系统:搭载微电脑恒温控制技术与液晶显示界面,支持SV设定温度、PV实测温度双显,配合光柱输出显示,直观掌握加热状态,提升控温精度与操作体验。
2. 高精度温度表现:使用进口Pt100铂电阻作为温度传感器,温度波动度控制在±0.05℃,显示分辨率达到0.1℃,满足高要求实验环境下的稳定性需求。
3. 强劲循环搅拌能力:6升型号配备8 L/min搅拌泵,功率900W-2000W;15升型号循环量达10 L/min,功率1500W-3500W,确保槽体内液体充分循环,避免局部温差。
4. 多重安全保护机制:集成补水指示灯、运行指示灯、加热灯、制冷灯(未启用)与报警灯,分别提示低水位、超温等异常情况,保障设备安全稳定运行。
5. 模块化结构设计:由温度控制部分、Pt100传感器、循环泵、加热器、制冷部、不锈钢内胆及外壳组成,结构清晰,维护方便,核心部件布局合理,散热性能优良。
| 项目 | 参数 |
|---|---|
| 型号 | DCY-0504 |
| 温度波动度 | ±0.05℃ |
| 显示分辨率 | 0.1℃ |
| 温度传感器 | Pt100铂电阻 |
| 搅拌泵流量(6升) | 8 L/min |
| 搅拌泵功率(6升) | 900W-2000W |
| 搅拌泵流量(15升) | 10 L/min |
| 搅拌泵功率(15升) | 1500W-3500W |
| 内槽材质 | 优质不锈钢 |
| 控制方式 | 微电脑恒温控制 |
| 显示类型 | 液晶显示 |
| 通讯功能 | 可选配,支持与计算机双向通讯 |
| 报警功能 | 液位报警、超温报警 |
适用领域:生物医学研究、化学分析、材料测试、制药研发、质量控制、环境监测等需要精确恒温环境的实验室应用场景。
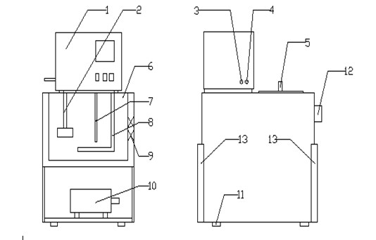
整体结构组成:DCY系列产品由智能化液晶显示温度控制部分、温度传感器Pt100铂电阻、循环搅拌部分、加热器、制冷部、不锈钢材质内槽以及外壳组成。

1、操作面板 2、循环泵 3、出水管 4、进水管 5、上盖 6、恒温槽内胆 7、pt100传感器 8、电加热器 9、隔热层 10、制冷部 11、底脚或脚轮 12、放水阀 13、散热板
面板结构说明:

1. PV显示器 •显示测量温度或根据仪表状态显示各类提示符。
2. SV显示器 •显示设定温度或根据仪表状态显示定时时间;各类参数。
3. 光柱显示 •显示加热控制输出的百分比
4. 增加键 •用于设定值、控制参数的修改或进入自整定状态。
5. 减小键 •用于设定值、控制参数的修改或进入自整定状态。
6. 移位键 •用于设定值、控制参数的移位和查看运行时间。
7. 功能键 •设定值修改;参数的调出,参数的修改确认。
8. 补水指示灯 •当水位为低水位时亮
9. 运行指示灯 •运行时常亮,自整定工作时闪烁
10. 制冷灯(未启用) •制冷输出时亮
11.加热灯 •加热输出时亮
12.报警灯 •报警①为超温报警;报警③为水位指示
13. 电源开关
14.制冷开关
15.循环开关
A:温度波动度为±0.05℃,显示分辨率为0.1℃,采用进口Pt100温度传感器确保控温精确。
A:支持,DCY-0504可增加通讯功能,实现与计算机双向通讯,便于远程监控和数据记录。
A:具备液位报警、超温报警功能,并配有补水指示灯、运行指示灯、加热灯和报警灯,实时提示设备状态。
A:6升型号搅拌泵流量为8 L/min,功率900W-2000W;15升型号流量为10 L/min,功率1500W-3500W。
A:DCY-0504属于DCY系列,是DC系列低温恒温槽的升级产品,具备更先进的控制系统和功能扩展性。








1、首先客户需要确认产品品牌、产品型号、产品货号、产品规格、参数、货期等;
2、其次确认产品旳使用须知,买卖双方信息相互,确认收货和收票地址;
3、科研仪器设备属于精密仪器,非产品质量问题本公司不做退换货处理,购买时请再三确认;
4、小型仪器退换货要求确保仪器未拆箱、未通电、未使用、附件包装完好无损不影响二次销售,联系客服人员处理退换货事宜;
5、退换货要求产品外包装套纸箱,禁止无包装发货,拒收到付;

