舜宇恒平 DCY-3006 低温恒温槽是一款高性能实验室恒温设备,专为精确温度控制需求设计。该设备采用全新微电脑精密恒温控制系统与进口Pt100温度传感器,确保温度控制精准可靠,适用于多种科研与工业实验环境。
本产品具备高效制冷系统,实现快速降温,同时运行低噪音、低震动,保障实验稳定性。整机采用优质不锈钢内槽与外壳结构,搭配专业整体发泡隔热工艺,有效减少冷量损失。配备高流量循环搅拌泵,确保槽内液体温度均匀,温度波动度低至±0.05°C,分辨率达0.1°C,满足高精度实验要求。
✓ 升级型号:DCY系列为DC系列低温恒温槽的升级产品,性能更优。
✓ 精密控温:采用微电脑恒温控制系统与Pt100铂电阻传感器,温度波动度±0.05℃,分辨率0.1℃。
✓ 高效循环系统:6升机型搅拌泵流量8 L/min,15升机型达10 L/min,确保槽内温度均匀分布。
✓ 智能化设计:支持液位报警、可选配通讯功能,实现与计算机双向数据传输。
✓ 人性化结构:折叠式把手与自锁脚轮设计,便于移动;操作面板布局清晰,使用便捷。
1. 智能化温度控制:搭载液晶显示微电脑控制系统,实时监控并调节温度,支持设定值修改、参数查看及自整定功能,提升控温精度与操作便利性。
2. 高效制冷与加热系统:集成专业制冷部与电加热器,实现快速升降温响应,适应宽范围实验需求,运行平稳且能耗低。
3. 强制循环搅拌设计:内置高流量搅拌泵,6L机型达8 L/min,15L机型达10 L/min,促进液体充分对流,避免温度梯度,确保实验一致性。
4. 多重安全保护机制:配备超温报警、低水位报警功能,异常状态通过报警灯提示,保障设备与实验安全。
5. 耐用结构材质:内槽与箱体均采用优质不锈钢材料,耐腐蚀、易清洁,延长设备使用寿命。
| 项目 | 参数 |
|---|---|
| 型号 | DCY-3006 |
| 温度波动度 | ±0.05℃ |
| 温度分辨率 | 0.1℃ |
| 搅拌泵流量(6L机型) | 8 L/min |
| 搅拌泵流量(15L机型) | 10 L/min |
| 加热功率(6L机型) | 900W-2000W |
| 加热功率(15L机型) | 1500W-3500W |
| 温度传感器 | Pt100铂电阻 |
| 显示方式 | 液晶显示(PV/SV显示器) |
| 通讯功能 | 可选配,支持与计算机双向通讯 |
| 报警功能 | 超温报警、低水位报警 |
| 结构材质 | 内槽与箱体均为优质不锈钢 |
适用领域:生物医学研究、化学分析、制药研发、材料测试、环境监测等需要精确恒温控制的实验室场景。
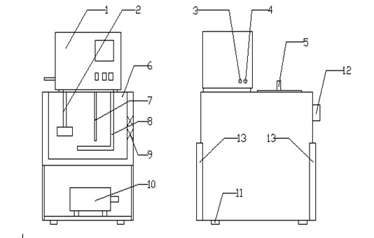
整体结构组成:智能化液晶显示温度控制部分、Pt100温度传感器、循环搅拌部分、电加热器、制冷部、不锈钢内槽、外壳、隔热层、放水阀、散热板及脚轮。
1、操作面板 2、循环泵 3、出水管 4、进水管 5、上盖 6、恒温槽内胆 7、pt100传感器 8、电加热器 9、隔热层 10、制冷部 11、底脚或脚轮 12、放水阀 13、散热板
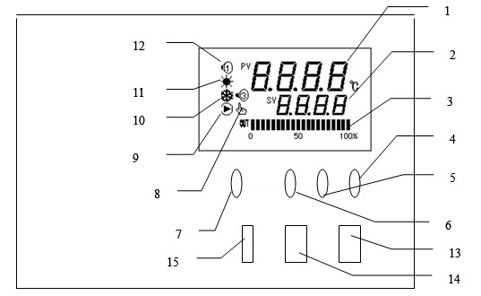
面板结构说明:
1. PV显示器:显示测量温度或系统提示符
2. SV显示器:显示设定温度、定时时间或参数
3. 光柱显示:显示加热输出百分比
4. 增加键:用于设定值或参数修改
5. 减小键:用于设定值或参数修改
6. 移位键:用于参数移位或查看运行时间
7. 功能键:确认设定值修改、调出参数
8. 补水指示灯:低水位时亮起
9. 运行指示灯:运行时常亮,自整定时闪烁
10. 制冷灯(未启用):制冷输出时亮
11. 加热灯:加热输出时亮
12. 报警灯:报警①为超温报警;报警③为水位指示
13. 电源开关
14. 制冷开关
15. 循环开关
定期检查水位,避免干烧;使用去离子水或防锈液以延长内槽寿命。保持通风口畅通,定期清理散热板灰尘。长期停用时应排空槽体液体并干燥存放。避免在高湿度或腐蚀性环境中使用。
A:温度波动度为±0.05℃,显示分辨率为0.1℃。
A:支持,可选配通讯功能,实现与计算机双向通讯。
A:6升机型搅拌泵流量为8 L/min,15升机型为10 L/min。
A:具备超温报警、低水位报警功能,并通过面板报警灯提示异常状态。
A:DCY系列是DC系列低温恒温槽的升级产品。








1、首先客户需要确认产品品牌、产品型号、产品货号、产品规格、参数、货期等;
2、其次确认产品旳使用须知,买卖双方信息相互,确认收货和收票地址;
3、科研仪器设备属于精密仪器,非产品质量问题本公司不做退换货处理,购买时请再三确认;
4、小型仪器退换货要求确保仪器未拆箱、未通电、未使用、附件包装完好无损不影响二次销售,联系客服人员处理退换货事宜;
5、退换货要求产品外包装套纸箱,禁止无包装发货,拒收到付;

