舜宇恒平 DCY-1006 实验室低温恒温槽是一款高性能的实验室温度控制设备,专为精确控温需求设计。该设备采用新设计的微电脑精密恒温控制系统,并搭载进口Pt100温度传感器,确保温度测量与控制的高度精准性。作为DC系列的升级产品,DCY-1006在制冷效率、操作便捷性和结构稳定性方面均有显著提升。
DCY-1006 配备高效制冷系统,具备迅速降温、低噪音和低震动的特点,保障长时间稳定运行。其整体发泡工艺的槽体结构有效减少冷量损失,配合高流量搅拌泵实现液体均匀循环,温度波动度低至±0.05°C,显示分辨率达0.1°C。人性化设计包括折叠式把手与自锁脚轮,便于移动与固定,适用于多种实验室环境下的恒温应用。
✓ 升级型号:DCY系列为DC系列低温恒温槽的升级产品,集成更多智能化功能。
✓ 精准控温:采用进口Pt100温度传感器与微电脑恒温控制系统,温度波动度±0.05℃,显示分辨率0.1℃。
✓ 高效循环系统:6升机型搅拌泵流量8 L/min,15升机型达10 L/min,确保槽内温度高度均匀。
✓ 智能化操作:支持液位报警、可选配通讯功能,实现与计算机双向通讯。
✓ 耐用结构设计:内槽与箱体均采用优质不锈钢材料,防腐耐用,易于清洁维护。
1. 微电脑恒温控制系统
采用新设计的液晶显示微电脑控制系统,支持温度设定、参数调整及运行状态监控,操作直观清晰,提升实验控制精度。
2. 高精度温度传感
配备进口Pt100铂电阻温度传感器,响应快、稳定性高,确保长期使用中温度数据的可靠性。
3. 强力循环搅拌系统
根据容量不同配置高流量搅拌泵(6L: 8 L/min;15L: 10 L/min),促进液体充分混合,避免局部温差,保障实验一致性。
4. 多重安全保护机制
内置液位报警功能,低水位时自动提示补水;面板设有超温报警与水位指示灯,提升使用安全性。
5. 可拓展通讯功能
支持增加通讯模块,实现与计算机双向通讯,便于远程监控与数据记录,满足现代化实验室管理需求。
| 项目 | 参数 |
|---|---|
| 型号 | DCY-1006 |
| 温度波动度 | ±0.05℃ |
| 显示分辨率 | 0.1℃ |
| 温度传感器 | Pt100铂电阻 |
| 搅拌泵流量(6L) | 8 L/min |
| 搅拌泵流量(15L) | 10 L/min |
| 加热功率(6L) | 900W-2000W |
| 加热功率(15L) | 1500W-3500W |
| 内槽材质 | 优质不锈钢 |
| 控制方式 | 微电脑恒温控制 |
| 显示方式 | 液晶显示(PV/SV) |
| 通讯功能 | 可选配,支持与计算机双向通讯 |
| 液位报警 | 支持 |
适用领域:生物医学研究、化学分析、制药研发、材料测试、环境监测等需要精确恒温控制的实验场景。
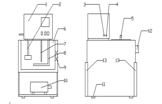
整体结构组成:
DCY系列产品由智能化液晶显示温度控制部分、Pt100温度传感器、循环搅拌部分、电加热器、制冷部、不锈钢内胆、隔热层、外壳及脚轮等部件构成。
1、操作面板 2、循环泵 3、出水管 4、进水管 5、上盖 6、恒温槽内胆 7、pt100传感器 8、电加热器 9、隔热层 10、制冷部 11、底脚或脚轮 12、放水阀 13、散热板
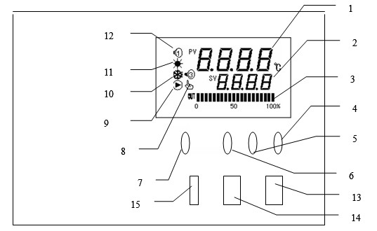
面板结构说明:
1. PV显示器 • 显示测量温度或各类提示符
2. SV显示器 • 显示设定温度、定时时间或参数
3. 光柱显示 • 显示加热输出百分比
4. 增加键 • 修改设定值或进入自整定状态
5. 减小键 • 修改设定值或进入自整定状态
6. 移位键 • 参数移位与运行时间查看
7. 功能键 • 设定值修改、参数调出与确认
8. 补水指示灯 • 低水位时亮起
9. 运行指示灯 • 运行时常亮,自整定时闪烁
10. 制冷灯(未启用) • 制冷输出时亮
11. 加热灯 • 加热输出时亮
12. 报警灯 • 报警①为超温报警;报警③为水位指示
13. 电源开关
14. 制冷开关
15. 循环开关
A:DCY-1006的温度波动度为±0.05℃,显示分辨率为0.1℃,采用进口Pt100温度传感器确保高精度控温。
A:是的,DCY-1006可增加通讯功能,支持与计算机双向通讯,便于远程监控和数据管理。
A:设备具备液位报警功能,低水位时补水指示灯亮起;同时设有超温报警和水位指示报警灯,保障使用安全。
A:6升机型搅拌泵流量为8 L/min,15升机型搅拌泵流量为10 L/min,确保槽内液体均匀混合。
A:DCY-1006属于DCY系列,是DC系列低温恒温槽的升级产品,集成了更先进的控制与显示系统。








1、首先客户需要确认产品品牌、产品型号、产品货号、产品规格、参数、货期等;
2、其次确认产品旳使用须知,买卖双方信息相互,确认收货和收票地址;
3、科研仪器设备属于精密仪器,非产品质量问题本公司不做退换货处理,购买时请再三确认;
4、小型仪器退换货要求确保仪器未拆箱、未通电、未使用、附件包装完好无损不影响二次销售,联系客服人员处理退换货事宜;
5、退换货要求产品外包装套纸箱,禁止无包装发货,拒收到付;

