舜宇恒平 DCY-3015 低温恒温槽是一款高性能的温度控制设备,专为实验室和工业领域对高精度温控需求而设计。该设备采用微电脑精密恒温控制系统与进口Pt100温度传感器,确保控温精准可靠,适用于多种需要稳定低温或高温环境的应用场景。
本产品具备-30~95℃的宽泛控温范围,温度波动度低至±0.05℃,显示分辨率为0.1℃,配合高流量循环泵(最大10L/min)实现槽内液体高效均匀循环。整机采用不锈钢材质结构,结合整体发泡隔热工艺,有效减少冷量损失,提升能效稳定性。人性化设计如折叠式把手与自锁脚轮,使设备移动便捷、操作省力。
✓ 升级型号:DCY系列是DC系列低温恒温槽的升级产品,性能更优,功能更强。
✓ 精密控温:采用微电脑恒温控制系统与进口Pt100温度传感器,温度波动度达±0.05℃,显示分辨率0.1℃。
✓ 高效循环系统:15升机型配备10 L/min大流量搅拌泵,确保槽内温度高度均匀。
✓ 智能化设计:支持液位报警功能,可选配通讯功能实现与计算机双向通讯,便于数据监控与管理。
✓ 耐用结构:内槽与箱体均采用优质不锈钢材料,抗腐蚀、寿命长,适合长期运行。
1. 智能化温控系统:搭载新设计的液晶显示微电脑控制系统,用户可通过面板按键精确设定温度参数,实时监控运行状态,提升操作体验与控制精度。
2. 宽温区控温能力:控温范围覆盖-30~95℃,满足从低温冷却到中高温恒温的多样化实验需求,适用性广泛。
3. 高效制冷与加热协同工作:制冷系统效率高、噪音低、震动小;加热器功率根据型号配置在1500W-3500W之间,升温迅速且稳定。
4. 安全保护机制:具备液位报警功能,当水位过低时自动提示补水;超温报警与运行指示灯联动,保障使用安全。
5. 专业循环搅拌设计:通过大流量循环泵强制液体流动,避免局部温差,确保样品受热/冷却一致性,满足高精度实验要求。
| 项目 | 参数信息 |
|---|---|
| 型号 | DCY-3015 |
| 品牌 | 舜宇恒平 |
| 产品类型 | 低温恒温槽 |
| 控温范围 | -30~95℃ |
| 温度波动度 | ±0.05℃ |
| 显示分辨率 | 0.1℃ |
| 搅拌泵流量(15L机型) | 10 L/min |
| 加热功率(15L机型) | 1500W-3500W |
| 搅拌泵流量(6L机型) | 8 L/min |
| 加热功率(6L机型) | 900W-2000W |
| 温度传感器 | Pt100铂电阻 |
| 内槽材质 | 优质不锈钢 |
| 外壳材质 | 优质不锈钢 |
| 通讯功能 | 可选配,支持与计算机双向通讯 |
| 液位报警 | 支持 |
适用领域:生物医学研究、化学分析、制药工业、材料测试、环境监测、质量控制等需要精确温度控制的实验与生产环节。
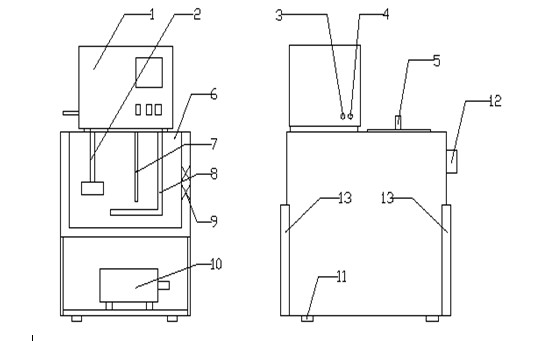
仪器整体结构组成:
DCY系列产品由智能化液晶显示温度控制部分、温度传感器Pt100铂电阻、循环搅拌部分、加热器、制冷部、不锈钢材质内槽以及外壳组成。

1、操作面板 2、循环泵 3、出水管 4、进水管 5、上盖 6、恒温槽内胆 7、pt100传感器 8、电加热器 9、隔热层 10、制冷部 11、底脚或脚轮 12、放水阀 13、散热板

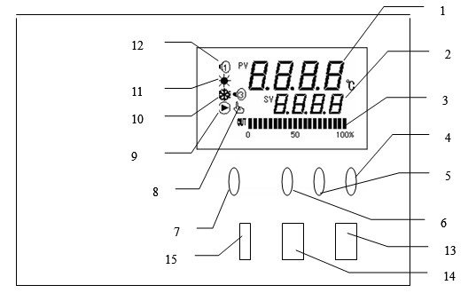
面板结构说明:
1. PV显示器 — 显示测量温度或各类提示符
2. SV显示器 — 显示设定温度、定时时间或参数
3. 光柱显示 — 显示加热控制输出百分比
4. 增加键 — 修改设定值或进入自整定状态
5. 减小键 — 修改设定值或进入自整定状态
6. 移位键 — 参数移位或查看运行时间
7. 功能键 — 设定值修改、参数调出与确认
8. 补水指示灯 — 低水位时亮起
9. 运行指示灯 — 运行时常亮,自整定时闪烁
10. 制冷灯(未启用) — 制冷输出时亮
11. 加热灯 — 加热输出时亮
12. 报警灯 — 超温报警①、水位指示报警③
13. 电源开关
14. 制冷开关
15. 循环开关
定期检查液位,避免干烧;保持通风口畅通,防止散热不良;清洁时请断电并使用柔软湿布擦拭表面,严禁用水直接冲洗电器部件;长期停用时应排空槽体液体并干燥存放。
A:控温范围为-30~95℃,适用于广泛的低温至中高温实验需求。
A:温度波动度为±0.05℃,显示分辨率为0.1℃,具备高精度温控能力。
A:支持可选配的通讯功能,可实现与计算机双向通讯,便于远程监控与数据记录。
A:搅拌泵流量为10 L/min,加热功率范围为1500W-3500W。
A:具备液位报警功能,当水位过低时,补水指示灯会亮起并触发报警提示。








1、首先客户需要确认产品品牌、产品型号、产品货号、产品规格、参数、货期等;
2、其次确认产品旳使用须知,买卖双方信息相互,确认收货和收票地址;
3、科研仪器设备属于精密仪器,非产品质量问题本公司不做退换货处理,购买时请再三确认;
4、小型仪器退换货要求确保仪器未拆箱、未通电、未使用、附件包装完好无损不影响二次销售,联系客服人员处理退换货事宜;
5、退换货要求产品外包装套纸箱,禁止无包装发货,拒收到付;

