舜宇恒平 DCY-0515 精密低温恒温槽是一款高性能实验室恒温设备,专为高精度温度控制需求设计。该仪器融合先进的微电脑控制系统与优质材料结构,广泛适用于需要稳定低温环境的实验场景。
本产品采用进口Pt100温度传感器和精密恒温控制技术,实现温度波动度低至±0.05°C,显示分辨率达到0.1°C,确保实验过程中温度的高度稳定性。制冷系统高效节能,具备快速降温、低噪音与低震动特性,配合整体发泡隔热层设计,显著减少冷量损失。循环搅拌系统搭载高流量泵,保障槽内液体温度均匀分布,提升实验重复性与准确性。
✓ 升级型号:DCY系列为DC系列低温恒温槽的升级产品,性能更优。
✓ 高精度控温:温度波动度±0.05℃,显示分辨率0.1℃,确保实验稳定性。
✓ 智能化控制:配备液晶显示微电脑控制系统,支持参数设定与运行状态监控。
✓ 安全保护功能:具备液位报警功能,低水位时自动提示补水,防止干烧风险。
✓ 强劲循环系统:6升机型搅拌泵流量8 L/min,15升机型达10 L/min,保障温度均一性。
✓ 耐用结构设计:内槽与箱体均采用优质不锈钢材料,防腐耐用,易于清洁维护。
1. 智能化温度控制:采用新设计的液晶显示微电脑恒温控制系统,支持精确设定与实时监测温度,操作直观便捷,提升实验效率。
2. 双向通讯能力:可选配通讯功能模块,实现与计算机之间的数据传输与远程控制,便于集成到自动化实验平台中。
3. 高效制冷与加热协同工作:内置加热器与制冷部协同运行,结合Pt100铂电阻传感器反馈,实现快速响应与精准控温。
p>4. 专业循环搅拌设计:高流量搅拌泵配合合理流道布局,确保恒温槽内液体充分循环,避免局部温差影响实验结果。5. 人性化结构设计:折叠式把手与带自锁脚轮底脚设计,方便设备移动与固定;整体发泡工艺提升保温效果,降低能耗。
| 项目 | 参数 |
|---|---|
| 型号 | DCY-0515 |
| 温度波动度 | ±0.05℃ |
| 显示分辨率 | 0.1℃ |
| 搅拌泵流量(6升机型) | 8 L/min |
| 搅拌泵功率(6升机型) | 900W-2000W |
| 搅拌泵流量(15升机型) | 10 L/min |
| 搅拌泵功率(15升机型) | 1500W-3500W |
| 温度传感器 | Pt100铂电阻 |
| 控温方式 | 微电脑液晶显示控制 |
| 材质 | 内槽与箱体均为优质不锈钢 |
| 附加功能 | 液位报警、可扩展通讯功能 |
适用领域:生物医学研究、化学分析、制药研发、材料测试、环境监测等需要高精度恒温控制的实验室应用场景。
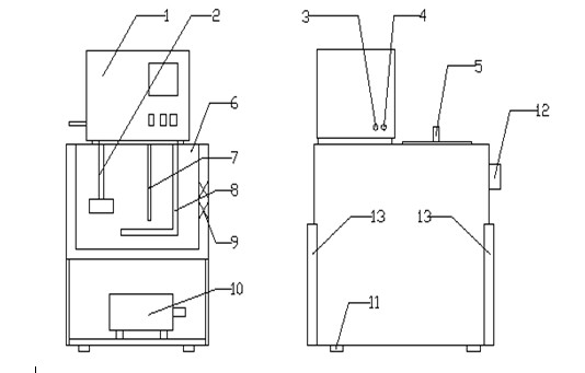
仪器整体结构组成:
DCY系列产品由智能化液晶显示温度控制部分、温度传感器Pt100铂电阻、循环搅拌部分、加热器、制冷部、不锈钢材质内槽以及外壳组成。

1、操作面板 2、循环泵 3、出水管 4、进水管 5、上盖 6、恒温槽内胆 7、pt100传感器 8、电加热器 9、隔热层 10、制冷部 11、底脚或脚轮 12、放水阀 13、散热板

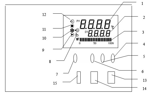
面板结构说明:
1. PV显示器 — 显示测量温度或各类提示符
2. SV显示器 — 显示设定温度、定时时间或参数
3. 光柱显示 — 显示加热控制输出百分比
4. 增加键 — 修改设定值或进入自整定状态
5. 减小键 — 修改设定值或进入自整定状态
6. 移位键 — 参数移位与查看运行时间
7. 功能键 — 设定值修改、参数调出与确认
8. 补水指示灯 — 低水位时亮起
9. 运行指示灯 — 正常运行时常亮,自整定时闪烁
10. 制冷灯(未启用) — 制冷输出时亮
11. 加热灯 — 加热输出时亮
12. 报警灯 — 超温报警①、水位指示报警③
13. 电源开关
14. 制冷开关
15. 循环开关
定期检查液位,确保不低于最低水位线,避免触发液位报警或造成加热器损坏。保持通风口清洁,防止灰尘堆积影响散热性能。每次使用后应及时清理槽体内残留液体,防止腐蚀或滋生微生物。长期停用时应排空液体并干燥存放,延长设备寿命。
| 型号 | 搅拌泵流量 | 搅拌泵功率 | 适用容量 | 温度波动度 |
|---|---|---|---|---|
| DCY-0515(6升) | 8 L/min | 900W-2000W | 6L | ±0.05℃ |
| DCY-0515(15升) | 10 L/min | 1500W-3500W | 15L | ±0.05℃ |
A:温度波动度为±0.05℃,显示分辨率为0.1℃,确保高精度控温表现。
A:是的,设备配备液位报警功能,当水位过低时会通过指示灯提示需补水。
A:可以增加通讯功能,实现与计算机的双向通讯,便于数据记录与远程控制。
A:6升机型搅拌泵流量为8 L/min,功率900W-2000W;15升机型流量为10 L/min,功率1500W-3500W。
A:DCY系列是DC系列低温恒温槽的升级产品,在控制、显示和功能方面均有优化提升。








1、首先客户需要确认产品品牌、产品型号、产品货号、产品规格、参数、货期等;
2、其次确认产品旳使用须知,买卖双方信息相互,确认收货和收票地址;
3、科研仪器设备属于精密仪器,非产品质量问题本公司不做退换货处理,购买时请再三确认;
4、小型仪器退换货要求确保仪器未拆箱、未通电、未使用、附件包装完好无损不影响二次销售,联系客服人员处理退换货事宜;
5、退换货要求产品外包装套纸箱,禁止无包装发货,拒收到付;

