舜宇恒平 DCY-0506 精密低温恒温槽是一款高性能实验室恒温设备,专为高精度温度控制需求设计。该设备融合先进的微电脑恒温控制系统与进口Pt100温度传感器,实现卓越的温度稳定性与精准显示,适用于对温控要求严苛的科研与工业场景。
设备采用高效制冷系统,具备快速降温、低噪音、低震动等优势,确保长时间稳定运行。内槽与箱体均采用优质不锈钢材料,耐腐蚀且易于清洁。配备高流量循环搅拌泵,保障槽内液体均匀混合,温度波动度低至±0.05°C,显示分辨率高达0.1°C。人性化结构设计,如折叠式把手与自锁脚轮,提升移动便捷性,整体发泡工艺有效减少冷量损失,节能高效。
✓ 升级型号:DCY系列为DC系列低温恒温槽的升级产品,性能更优。
✓ 高精度控温:采用微电脑控制系统与进口Pt100温度传感器,温度波动度±0.05℃,显示分辨率0.1℃。
✓ 高效循环系统:6升机型搅拌泵流量8 L/min,15升机型达10 L/min,确保槽内温度均匀。
✓ 智能化操作:配备液晶显示面板,支持SV/PV双显,可选配通讯功能实现与计算机双向通讯。
✓ 安全保护设计:具备液位报警、超温报警功能,运行状态通过指示灯实时显示,操作更安全可靠。
1. 微电脑精密恒温控制
采用智能化液晶温控系统,结合Pt100铂电阻传感器,实现高精度温度设定与测量,控温稳定,响应迅速,满足精密实验对温度一致性的严格要求。
2. 高效制冷与低噪运行
制冷系统经过优化设计,具备快速降温能力,同时保持低噪音和低震动,适合在安静实验环境中长期运行,不影响周边设备与人员操作。
3. 大流量循环搅拌系统
6升机型配备8 L/min搅拌泵,15升机型提升至10 L/min,强力循环确保恒温槽内液体温度高度均匀,避免局部温差影响实验结果。
4. 人机交互友好面板
面板集成PV/SV双显示器、光柱输出指示及多功能按键,支持参数设置、定时控制与自整定操作,状态指示灯清晰反馈运行、加热、制冷及报警信息。
5. 安全与智能报警功能
内置液位报警与超温报警机制,低水位时自动提示补水,异常情况触发报警灯警示,保障设备与实验安全。
| 项目 | 参数 |
|---|---|
| 型号 | DCY-0506 |
| 品牌 | 舜宇恒平 |
| 温度波动度 | ±0.05℃ |
| 显示分辨率 | 0.1℃ |
| 温度传感器 | Pt100铂电阻 |
| 搅拌泵流量(6升机型) | 8 L/min |
| 搅拌泵流量(15升机型) | 10 L/min |
| 加热功率(6升机型) | 900W-2000W |
| 加热功率(15升机型) | 1500W-3500W |
| 内槽材质 | 优质不锈钢 |
| 控制方式 | 微电脑液晶显示恒温控制 |
| 通讯功能 | 可选配,支持与计算机双向通讯 |
| 报警功能 | 液位报警、超温报警 |
适用领域:生物医学研究、化学分析、材料测试、制药研发、质量控制、环境监测等需要高精度恒温环境的实验室场景。
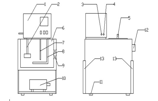
仪器整体结构:
DCY系列产品由智能化液晶显示温度控制部分、Pt100温度传感器、循环搅拌系统、电加热器、制冷部、不锈钢内胆、隔热层、外壳及底脚或脚轮组成,结构紧凑,布局合理。
1、操作面板 2、循环泵 3、出水管 4、进水管 5、上盖 6、恒温槽内胆 7、pt100传感器 8、电加热器 9、隔热层 10、制冷部 11、底脚或脚轮 12、放水阀 13、散热板
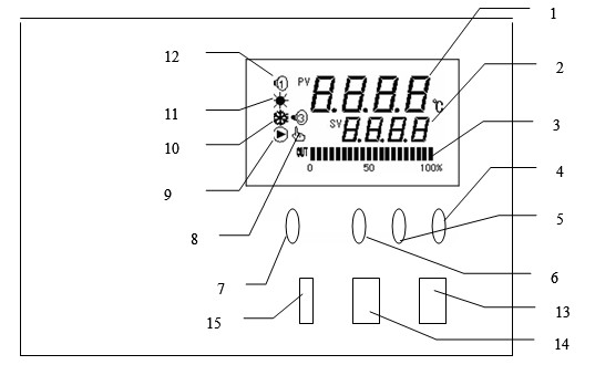
面板结构说明:
1. PV显示器:显示测量温度或各类提示符
2. SV显示器:显示设定温度、定时时间或参数
3. 光柱显示:显示加热控制输出百分比
4. 增加键:用于设定值修改或进入自整定状态
5. 减小键:用于设定值修改或进入自整定状态
6. 移位键:用于参数移位与查看运行时间
7. 功能键:确认设定值修改、调出参数
8. 补水指示灯:低水位时亮起
9. 运行指示灯:运行时常亮,自整定闪烁
10. 制冷灯(未启用):制冷输出时亮
11. 加热灯:加热输出时亮
12. 报警灯:报警①为超温报警;报警③为水位指示
13. 电源开关
14. 制冷开关
15. 循环开关
A:温度波动度为±0.05℃,显示分辨率为0.1℃,采用进口Pt100温度传感器和微电脑控制系统,确保高精度控温。
A:支持,可选配通讯功能,实现与计算机双向通讯,便于远程监控与数据记录。
A:具备液位报警和超温报警功能,低水位时补水指示灯亮起,异常温度或状态由报警灯提示,保障使用安全。
A:6升机型搅拌泵流量为8 L/min,15升机型为10 L/min,确保槽内液体充分循环,温度均匀。
A:DCY系列是DC系列低温恒温槽的升级产品,在控制、显示和功能上进行了优化提升。








1、首先客户需要确认产品品牌、产品型号、产品货号、产品规格、参数、货期等;
2、其次确认产品旳使用须知,买卖双方信息相互,确认收货和收票地址;
3、科研仪器设备属于精密仪器,非产品质量问题本公司不做退换货处理,购买时请再三确认;
4、小型仪器退换货要求确保仪器未拆箱、未通电、未使用、附件包装完好无损不影响二次销售,联系客服人员处理退换货事宜;
5、退换货要求产品外包装套纸箱,禁止无包装发货,拒收到付;

