舜宇恒平 DCY-4006 立式低温恒温槽是一款高性能实验室恒温设备,专为高精度温度控制需求设计。该仪器在DC系列基础上全面升级,融合智能化微电脑控制系统与优质材料结构,适用于对温度稳定性要求严苛的实验环境。
本产品采用进口Pt100温度传感器和新设计的液晶显示微电脑恒温控制系统,实现温度波动度低至±0.05°C,显示分辨率为0.1°C。配备高效制冷系统与专业循环搅拌设计,支持10L/min高流量循环,确保槽内液体温度高度均匀。整体发泡隔热工艺有效减少冷量损失,提升能效表现。人性化结构如折叠式把手与带自锁重型脚轮,使设备移动与操作更加便捷可靠。
✓ 升级换代产品:DCY系列是DC系列低温恒温槽的升级版本,集成更多智能化功能与优化设计。
✓ 高精度温控系统:采用微电脑控制与进口Pt100铂电阻传感器,温度波动度达±0.05℃,分辨率达0.1℃。
✓ 高效循环搅拌:15升型号配备10 L/min大流量搅拌泵,确保槽体内温度分布均匀。
✓ 智能化扩展功能:支持通讯功能,可实现与计算机双向通讯,便于数据监控与远程管理。
✓ 安全报警设计:具备液位报警、超温报警等多重安全提示功能,保障实验安全运行。
✓ 优质耐用结构:内槽与箱体均采用优质不锈钢材料,防腐耐用,易于清洁维护。
1. 智能化温度控制
搭载新设计的微电脑恒温控制系统和液晶显示界面,支持设定温度、定时时间及各类参数的精确设置与实时监控,提升操作直观性与控制精度。
2. 高精度测温元件
采用进口Pt100铂电阻作为温度传感器,具有长期稳定性好、响应速度快、测量准确的特点,确保控温过程可靠精准。
3. 高效制冷与节能设计
制冷系统经过精心优化,具备快速降温、低噪音、低震动优势;结合整体发泡隔热层,显著降低冷量损耗,提高能源利用效率。
4. 强力循环搅拌系统
根据不同容量配置高流量搅拌泵(6升型号8 L/min,15升型号10 L/min),有效促进液体热交换,避免局部温差,保证实验一致性。
5. 多重安全保护机制
集成液位报警、超温报警功能,并通过面板指示灯明确提示运行状态与异常情况,及时预警潜在风险,保障设备与样品安全。
6. 人性化结构设计
配备折叠式搬运把手与带自锁功能的重型脚轮,方便设备移动与固定;放水阀设计便于排液维护,提升使用便利性。
| 项目 | 参数信息 |
|---|---|
| 品牌 | 舜宇恒平 |
| 型号 | DCY-4006 |
| 产品类型 | 立式低温恒温槽 |
| 温度波动度 | ±0.05℃ |
| 显示分辨率 | 0.1℃ |
| 温度传感器 | Pt100铂电阻 |
| 搅拌泵流量(15升型号) | 10 L/min |
| 搅拌泵流量(6升型号) | 8 L/min |
| 搅拌功率范围(6升) | 900W-2000W |
| 搅拌功率范围(15升) | 1500W-3500W |
| 内槽材质 | 优质不锈钢 |
| 外壳材质 | 优质不锈钢 |
| 控制方式 | 微电脑恒温控制,液晶显示 |
| 通讯功能 | 支持与计算机双向通讯 |
| 报警功能 | 液位报警、超温报警 |
适用领域:生物医学研究、药物分析、化工反应控温、材料测试、食品检测、环境监测等需要稳定低温环境的实验场景。
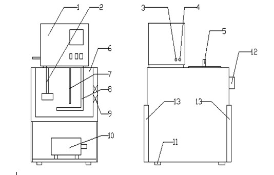
仪器整体结构组成:
DCY系列产品由智能化液晶显示温度控制部分、Pt100温度传感器、循环搅拌部分、电加热器、制冷部、不锈钢内胆、隔热层、外壳及底脚/脚轮等部件构成。
1、操作面板 2、循环泵 3、出水管 4、进水管 5、上盖 6、恒温槽内胆 7、pt100传感器 8、电加热器 9、隔热层 10、制冷部 11、底脚或脚轮 12、放水阀 13、散热板
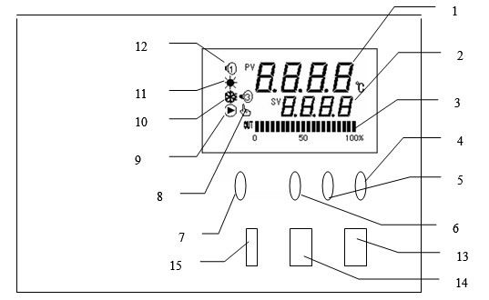
面板结构说明:
1. PV显示器
• 显示测量温度或根据仪表状态显示各类提示符。
2. SV显示器
• 显示设定温度或定时时间、各类参数。
3. 光柱显示
• 显示加热控制输出的百分比。
4. 增加键
• 用于设定值、控制参数的修改或进入自整定状态。
5. 减小键
• 用于设定值、控制参数的修改或进入自整定状态。
6. 移位键
• 用于设定值、控制参数的移位和查看运行时间。
7. 功能键
• 设定值修改;参数的调出,参数的修改确认。
8. 补水指示灯
• 当水位为低水位时亮。
9. 运行指示灯
• 运行时常亮,自整定工作时闪烁。
10. 制冷灯(未启用)
• 制冷输出时亮。
11. 加热灯
• 加热输出时亮。
12. 报警灯
• 报警①为超温报警;报警③为水位指示。
13. 电源开关
14. 制冷开关
15. 循环开关
定期检查液位并及时补水,避免低水位运行导致干烧或报警;保持设备通风良好,确保散热板无遮挡;清洁时请断电操作,使用柔软湿布擦拭表面,禁止使用腐蚀性清洁剂;长期停用时应排空槽体液体并干燥存放;避免剧烈震动或撞击设备底部制冷部件。
| 型号 | 搅拌泵流量 | 搅拌功率范围 | 适用容量 |
|---|---|---|---|
| DCY-4006(6升) | 8 L/min | 900W-2000W | 6L |
| DCY-4006(15升) | 10 L/min | 1500W-3500W | 15L |
A:温度波动度为±0.05℃,显示分辨率为0.1℃。
A:支持通讯功能,可实现与计算机双向通讯。
A:具备液位报警、超温报警功能,并配有补水指示灯和报警灯提示。
A:6升型号搅拌泵流量为8 L/min,15升型号为10 L/min。
A:内槽与箱体均采用优质不锈钢材料。








1、首先客户需要确认产品品牌、产品型号、产品货号、产品规格、参数、货期等;
2、其次确认产品旳使用须知,买卖双方信息相互,确认收货和收票地址;
3、科研仪器设备属于精密仪器,非产品质量问题本公司不做退换货处理,购买时请再三确认;
4、小型仪器退换货要求确保仪器未拆箱、未通电、未使用、附件包装完好无损不影响二次销售,联系客服人员处理退换货事宜;
5、退换货要求产品外包装套纸箱,禁止无包装发货,拒收到付;

